Home Company Profile Products Technical Data Contact Us   Webmail    
Product Class£º
Steel Adapter
Hose & Hose Fitting
Brass Fitting
Accessories

 Contact£º
 Phone£º
 86-21-52717713
 Fax£º
 86-21-52717712

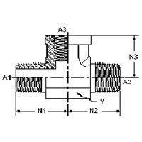
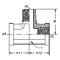
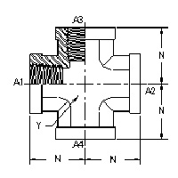
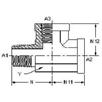
Steel Adapter(Steel Pipe Adapter)
Steel Pipe Adapter  | Steel 37¡ãJIC adapter  | Steel O-Ring Adapter  | Steel Pipe Swivel Adapter  | Steel Beaded Hose Adapter  | Steel O-Ring Face Seal Adapter  | Steel Flareless Bite Type Adapter  | Steel Flange 

5652
5650
5605
5604
5603
5602
5601
5600
5505
5504
5503
5502
5501
5500
5406P
5406HP
5406
5405
5404N
5404
5000