Home Company Profile Products Technical Data Contact Us   Webmail    
Product Class£º
Steel Adapter
Hose & Hose Fitting
Brass Fitting
Accessories

 Contact£º
 Phone£º
 86-21-52717713
 Fax£º
 86-21-52717712

Steel Adapter(Steel Pipe Swivel Adapter)
Steel Pipe Adapter  | Steel 37¡ãJIC adapter  | Steel O-Ring Adapter  | Steel Pipe Swivel Adapter  | Steel Beaded Hose Adapter  | Steel O-Ring Face Seal Adapter  | Steel Flareless Bite Type Adapter  | Steel Flange 

6902
6901
6900
1603
1602
1601
1504
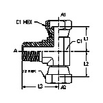
1503
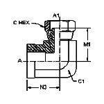
1502
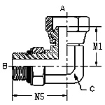
1501-L
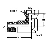
1501
1405
1404